Autor Tema: Cabezal divisor y mesa rotativa con PaP  (Leído 8398 veces)

horacio_570

  • Visitante
Re:Cabezal divisor y mesa rotativa con PaP
« Respuesta #15 en: 18 Febrero 2016, 11:31 »
Buen dia
La idea original era un divisor mecanico, pero despues lo pense mejor y hacerlo electronico da mas posibilidades, tanto de aplicacion como de aprendizaje...
Carlos, yo tambien lo ultimo que vi de programacion fue PASCAL y antes FORTRAN, tengo 59 años, ademas de que ambos tenemos como antecedente el "PASCAL oxidado", tambien voy por mi tercer matrimonio; con el tiempo aprendi a "negociar".

horacio_570

  • Visitante
Re:Cabezal divisor y mesa rotativa con PaP
« Respuesta #16 en: 18 Febrero 2016, 11:50 »
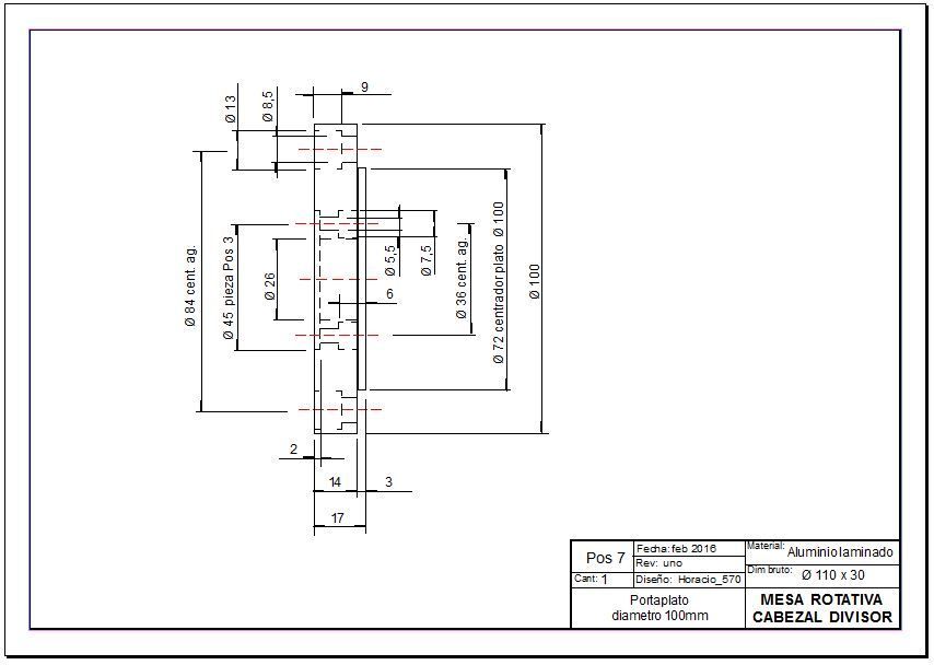
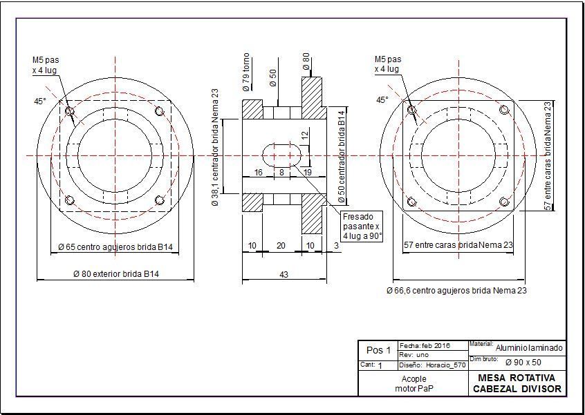
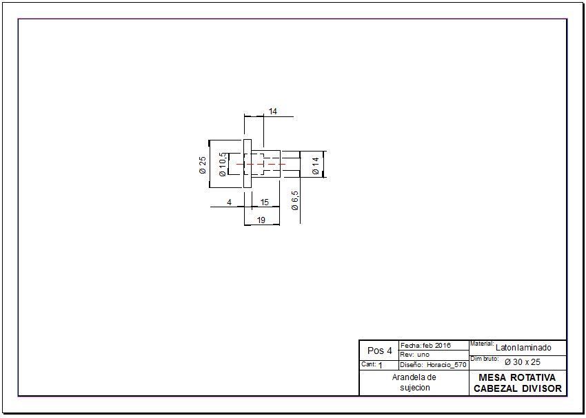
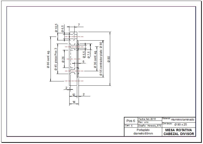
Subo el despiece de los conjuntos:















Es todo en revision 1, asi es que me falta volver a revisar todo antes de comenzar a sacar viruta para no "meter la gamba".

horacio_570

  • Visitante
Re:Cabezal divisor y mesa rotativa con PaP
« Respuesta #17 en: 20 Febrero 2016, 23:58 »
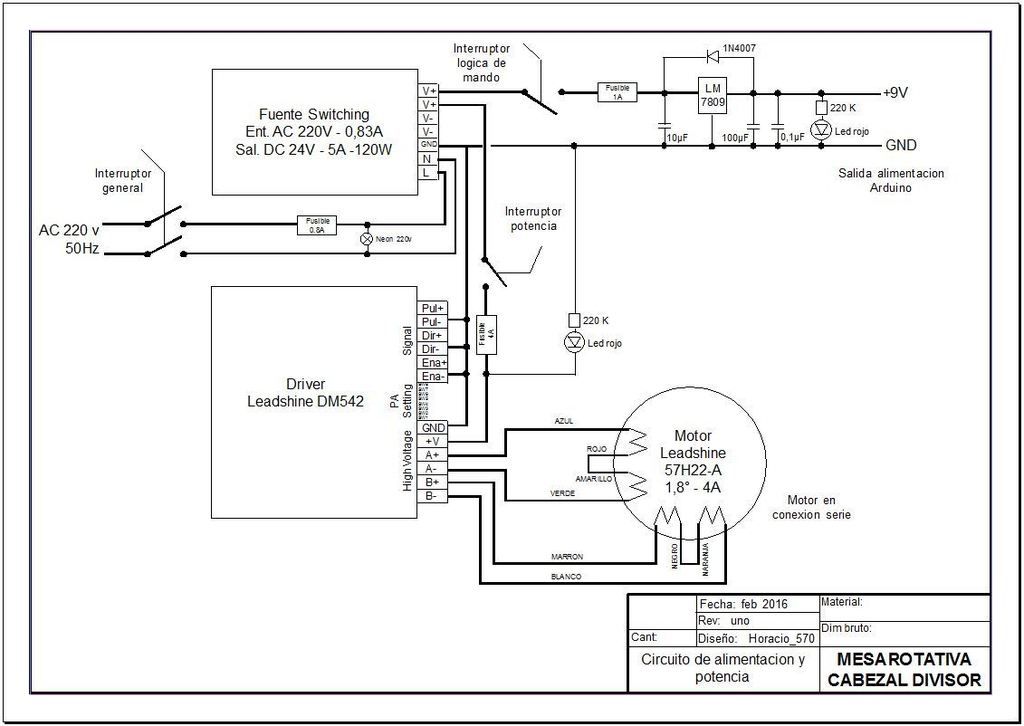
Buenas tardes

Siguiendo con el tema, estoy trabajando en el circuito, ya tengo todos los elementos, me falta solo el gabinete, que dado mi problema de espacio tendre que ver como lo resuelvo.
Este es el circuito de alimentacion y potencia, me falta la segunda parte el de mando donde va la conexion de la placa Arduino, el visualizador y el teclado.



Mientras estoy "desoxidando" mis conocimientos de programacion, que tienen 30 años guardados en algun lugar de mi cabeza y aprendiendo la programacion de Arduino, que es basicamente "C".

Espero comentarios y criticas antes de "meter la pata".

Un saludo a todos
Horacio

ELWECHECO15

  • Visitante
Re:Cabezal divisor y mesa rotativa con PaP
« Respuesta #18 en: 21 Febrero 2016, 00:42 »
 Hola Horacio. Tal vez ya lo conozcas pero por si no es así te dejo el canal de Youtube de Humberto Higinio de Lima Perú.
https://www.youtube.com/user/HHSolis/videos

 También su página de internet donde seguro hallarás muchos videos sobre electrónica y de cómo programar Arduino.
http://www.humbertohiginio.com/

 Espero te sirva de ayuda alguno de sus videos... y si nó tal vez le sea útil a otra persona.
 Saludos.

horacio_570

  • Visitante
Re:Cabezal divisor y mesa rotativa con PaP
« Respuesta #19 en: 21 Febrero 2016, 00:49 »
Muchas gracias, ya he estado leyendo varios manuales sobre programacion de Arduino, y es bastante sencillo, ya tengo algo del programa hecho, pero me falta bastante y luego depurarlo y que funcione...pero todo aporta.
Un saludo

horacio_570

  • Visitante
Re:Cabezal divisor y mesa rotativa con PaP
« Respuesta #20 en: 23 Febrero 2016, 20:10 »
Buenas tardes

Aqui publico el circuito de potencia en su nueva revision y el de mando.





Ahora estoy trabajando en el diagrama de funcionamiento, el programa de Arduino y por comenzar el mecanizado, antes tengo que comprar el resto de los materiales, laton, aluminio, cable potenciometros y gabinete.

Me gustaria escuchar opiniones y criticas tanto del circuito (que en realidad no se si esta correcto) y de la parte mecanica.

Un saludo a todos
Horacio

Desconectado carlos2albertito

  • Aprendiz
  • *
  • Join Date: Jun 2014
  • Mensajes: 292
  • Ubicación: Buenos Aires, Argentina
Re:Cabezal divisor y mesa rotativa con PaP
« Respuesta #21 en: 24 Febrero 2016, 14:46 »
muy bueno los planos, quería saber si podes ir informando donde compras los materiales electrónicos aquí en argentina, solo los importantes como motores interfaces etc .palmas .palmas .brinda
TORNO BATISTI 227, FRESADORA RIUSMA N 2, otro TORNO Y FRESA chinos  MUY PEQUEÑOS, Columna de perforar radial hasta 32 mm, otra de banco de 16 mm soldadora saw mig tig,corte por plasma y taller muy completo.

horacio_570

  • Visitante
Re:Cabezal divisor y mesa rotativa con PaP
« Respuesta #22 en: 24 Febrero 2016, 22:43 »
Buenas tardes

El driver, el motor y la fuente los compre aqui:

http://www.elindar.com.ar/

Este es el listado por Mercado libre de esta gente:

http://listado.mercadolibre.com.ar/_CustId_3217340

Estan en Lanus Este, si les compras directamente, sin pasar por Mercado Libre, en el local (hay que llamar antes) te sale algun peso menos, hacen factura "A".

Un saludo a todos
Horacio


Desconectado m606paz

  • Oficial 1ª
  • **
  • Join Date: Feb 2014
  • Mensajes: 2043
  • Ubicación: Buenos Aires, Argentina.
Re:Cabezal divisor y mesa rotativa con PaP
« Respuesta #23 en: 26 Septiembre 2017, 02:50 »
Hola Horacio
Que lastima no se ven las fotografias
Podes recomendar esta fresadora?
Saludos!
Luis
Herramientas electricas manuales Bosch, Taladro de sobremesa B&D BT 1200 , Torno de sobremesa WM180 , Esmeriladora de banco Dewalt DW752 , Torno Conopolea "EMIA"