Yo también tenía en espera el hacerme una prensa como las muchas que hay hechas por muchos de vosotros y pues ya le ha llegado el día.
En principio tomé como una de las ideas, la realizada por JMV en este post
http://foro.metalaficion.com/index.php/topic,8436.msg97482.html#msg97482Pero una vez que hice en Autodesk todo el diseño y construida parte de ella, llegue a un punto en el que los cálculos de los muelles para retraer el embolo del gato resultaban en que estos tenían que ser de un diámetro y un grosor de hilo muy grandes. No es que esta configuración no funcione, el problema es que los muelles tienen que subir:
-El peso del gato
-El peso del travesaño donde se apoya el gato
-La placa soporte del gato en el travesaño
-El esfuerzo de retraer el embolo del gato
Los cálculos me daban unos muelles de 32 mm de Diámetro, y un hilo de 3 mm de grosor. Con el problema que un resorte de estas medidas, limita el recorrido útil para no pasar la elasticidad del mismo.
Por otra parte no se podía aprovechar el vástago roscado que sale del embolo, que por el mismo motivo, tampoco lo permite la configuración de situar el gato abajo, aunque en ese caso, no necesita los muelles tan fuertes.

Todo ello fue lo que que me hizo cambiar el diseño por otras que también se han hecho, pero con la necesidad de invertir el sentido, como la de Rusito en este post,
http://foro.metalaficion.com/index.php/topic,2956.msg33840.html#msg33840y con las explicaciones de sotogiovanny en este otro
http://foro.metalaficion.com/index.php/topic,975.msg21923.html#msg21923La verdad que no resulta excesivamente complicado. Quiero advertir de un problema que tuve yo. Una vez colocado el tubo y cerrado el gato, tenía el problema de que cuando bombeaba, solo lo hacia en una parte del recorrido y es que el problema es que había colocado un tubo demasiado estrecho y no daba suficiente caudal para rellenar el volumen del embolo de impulsión, asi que tuve que abrirlo otra vez y cambiarlo por otro de mayor diámetro, y con esto solucionado.
Así mismo aunque el mio lleva una pieza de plastico que impide que al invertir el gato la valvula de retención de alta presión se caiga, hay que ponerle un pequeño muelle para que aun sin presión se mantenga contra su asiento.
Lo que se ve en la entrada del tubo, es una malla metálica que actua de filtro contra las impurezas.

Otra vista del tubo

Al invertir el sentido de colocación, la palanca de bombeo actua también invertida, con lo que para hacer el esfuerzo de impulsar, había que hacerlo en dirección hacia arriba con lo incomodo que resulta, asi que modifique la fijación de las palancas y el acoplamiento del embolo para cambiar el sentido. También ahora correcto.
Ahora el cálculo de los muelles me ha valido con unos de 16 mm de diámetro y 1,5 mm de hilo, permitiendo un recorrido de casi 110 mm.

Otra cosa que tuve que hacer es un nuevo agujero de llenado, ya que el que trae, al darle la vuelta queda muy bajo y por tanto o inclinas el gato para llenarlo o te reduce la cantidad de aceite que le puedes poner.

Aprovechando el hueco que queda entre los dos pilares he hecho una caja en chapa (aprovechando la plegadora y el soldador por puntos) para que sirva de ubicación para los distintos utiles que tendré que hacer.

Y estas son una vistas del conjunto terminado en la que se puede estimar las dimensiones

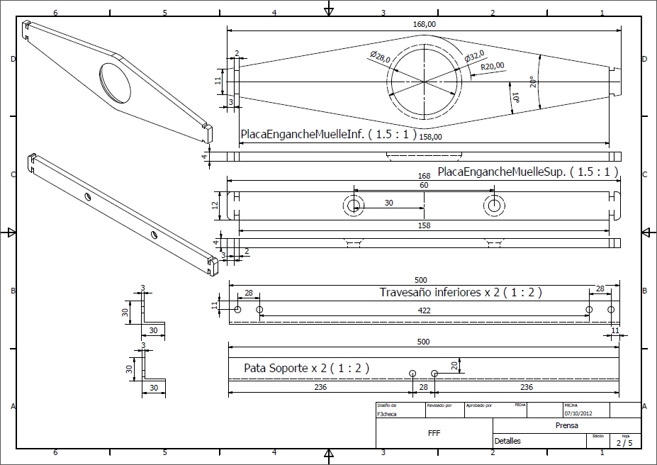
Por si sirve a alguien, acompaño los planos de la prensa. Deciros que ánimo, los materiales te los dan cortados en los almacenes y efectivamente son muchos taladros, pero nada mas.





Un consejo, cuando se taladren los largueros, hacer primero uno de los taladros de sujeción de los travesaños superiores y despues fijarlos con un tornillo. Despues hacer todos los demas taladros con los dos perfiles unidos para que queden totalmente simétricos.
Tambien he forrado la horquilla de los travesaños móviles que se desplaza sobre los largueros con lámina de teflón de 0,5 mm para evitar que en el desplazamiento arañe la pintura de los largueros. Y es una pena

estan tan bonitos

. La he pegado con cola de contacto en spray.
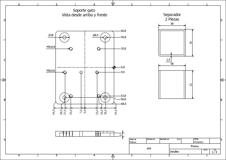
Como se ve aquí, estos travesaños van separados por dos piezas sacadas del perfil de tubo cuadrado de los largueros, con una distancia de 52 mm para que nos pueda entrar luego las laminas de teflon.
Estos separadores pueden ir simplemente fijados con dos tornillos de M8 x 70 si no se dispone de soldadura y no se es tan malo como yo al soldar. Originalmente, los soldé pero las tensiones que provoca la soldadura hizo que los largueros quedaran revirados con lo que al apoyarse en los pernos parecia el Tio Vivo. Quite la soldadura con la radial y puse los tornillos y despues, si les dí unos puntos solamente, haciéndolos alternados para evitar lo anterior.
